850nm Fabry Perot FP Fiberkoblet laserdiode
  • 850nm Fabry Perot FP Fiberkoblet laserdiode 850nm Fabry Perot FP Fiberkoblet laserdiode
  • 850nm Fabry Perot FP Fiberkoblet laserdiode 850nm Fabry Perot FP Fiberkoblet laserdiode
  • 850nm Fabry Perot FP Fiberkoblet laserdiode 850nm Fabry Perot FP Fiberkoblet laserdiode
  • 850nm Fabry Perot FP Fiberkoblet laserdiode 850nm Fabry Perot FP Fiberkoblet laserdiode
  • 850nm Fabry Perot FP Fiberkoblet laserdiode 850nm Fabry Perot FP Fiberkoblet laserdiode

850nm Fabry Perot FP Fiberkoblet laserdiode

850nm Fabry-Perot (FP) multi-longitudinal mode sommerfuglelaserdiode, med en standard sommerfuglepakke med indbygget TEC temperaturkontrol og overvågning af PD, der leverer stabilt og pålideligt optisk output.

Send forespørgsel

Produkt beskrivelse

850nm Fabry-Perot (FP) multi-longitudinal mode sommerfuglelaserdiode, med en standard sommerfuglepakke med indbygget TEC temperaturkontrol og overvågning af PD, der leverer stabilt og pålideligt optisk output.


Funktioner

14pin sommerfuglepakke;

Indbygget termistor og TEC;

Fibertype kan være SM630-HP fiber;

Driftstemperatur:-20~ +70℃.


Ansøgninger

Optisk instrument;

Laserkilde.


Elektro-optiske egenskaber (T=25℃)

Parameter Symbol Tilstand Min. Typ. Maks. Enhed
Driftsbølgelængde λc CW, 25℃ 840 850 860 nm
Optisk udgangseffekt PF - 30 - - mW
Tærskelstrøm ITH 25℃ - 10 35 mA
Driftsstrøm IOP CW - 255 275 mA
Driftsspænding VOP 25℃ - 2.1 2.3 V
Overvåg strøm IMON VRM = 5V 50 - 1500 μA
MPD Mørk strøm ID VRM = 5V - - 50 μA
Termistor modstand RTH 25℃ 9.5 10 10.5
Termistor B-værdi β 25℃/80℃ - 3950 - K


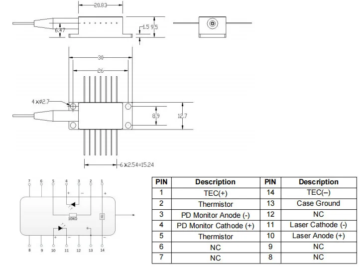
Pakketegning & PIN-OUT Definition (Enhed:mm)

850nm Fabry Perot Fp Fiber Coupled Laser Diode


Levering, forsendelse og servering

Alle produkter er testet inden afsendelse;

Alle produkter har 1-3 års garanti.(Efter kvalitetsgarantiperioden begyndte at opkræve passende vedligeholdelsesservicegebyr.)

Vi sætter pris på din forretning og tilbyder en øjeblikkelig 7 dages returret. (7 dage efter modtagelse af varerne);

Hvis de varer, du køber i vores butik, ikke er af perfekt kvalitet, det vil sige, at de ikke fungerer elektronisk i henhold til producentens specifikationer, skal du blot returnere dem til os for udskiftning eller refundering;

Hvis varerne er defekte, bedes du give os besked inden for 3 dage efter levering;

Alle varer skal returneres i deres oprindelige stand for at kvalificere sig til en refusion eller ombytning;

Køber er ansvarlig for alle afholdte fragtomkostninger.

850nm Fabry Perot Fp Fiber Coupled Laser Diode


FAQ

Q: Er der en matchende laserdriver tilgængelig?

A: Ja. Vi kan også integrere dioden og driveren til et laserkildemodul.


Spørgsmål: Har du nogen anden FP-laser med bølgelængde?

A: Ja, 488nm/ 520nm/ 532nm/ 660nm/ 850nm/ 1064nm... Kontakt os venligst for flere detaljer.


Hot Tags: 850nm Fabry Perot FP fiberkoblet laserdiode, producenter, leverandører, engros, fabrik, tilpasset, bulk, Kina, fremstillet i Kina, billig, lav pris, kvalitet

Relateret kategori

Send forespørgsel

Du er velkommen til at give din forespørgsel i nedenstående formular. Vi svarer dig inden for 24 timer.
X
Vi bruger cookies til at tilbyde dig en bedre browsingoplevelse, analysere trafik på webstedet og tilpasse indhold. Ved at bruge denne side accepterer du vores brug af cookies. Privatlivspolitik
Afvise Acceptere