1653nm 40mW DFB Laser Diode For Methane Sensor CH4 Sensing anvender en plan konstruktion med chip på underbærer. Højeffektchippen er hermetisk forseglet i en epoxyfri og fluxfri 14-bens sommerfuglepakke og udstyret med en termistor, termoelektrisk køler og monitordiode for at sikre laserydelse af høj kvalitet. Vores laserprodukter er Telcordia GR-468 kvalificerede og i overensstemmelse med RoHS-direktiverne.
1653nm 40mW DFB Laser Diode For Methane Sensor CH4 Sensing anvender en plan konstruktion med chip på underbærer. Højeffektchippen er hermetisk forseglet i en epoxyfri og fluxfri 14-bens sommerfuglepakke og udstyret med en termistor, termoelektrisk køler og monitordiode for at sikre laserydelse af høj kvalitet. Vores laserprodukter er Telcordia GR-468 kvalificerede og i overensstemmelse med RoHS-direktiverne.
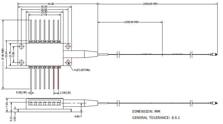
Industristandard 14-benet sommerfuglepakke;
Indbygget TEC og optisk isolator;
Højtydende, multiquantum well (MQW) distributed-feedback (DFB) laser.
Produktionstest af passive komponenter til gasdetektion;
Fiber gas detektionssystem;
Laserkilder.
| Parameter | Symbol | Tilstand | Min. | Typ. | Maks. | Enhed |
| Center bølgelængde | λc | TL=15~35℃ CW | 1652.7 | 1653.7 | 1654.7 | nm |
| Optisk udgangseffekt | Po | CW | - | 40 | - | mW |
| LD Tærskelstrøm | ITH | CW | - | 15 | 40 | mA |
| LD Fremstrøm | Hvis | Pf = Nominel effekt | - | 300 | 400 | mA |
| Optisk isolering | - | -10 < TC < +70 ℃ | 30 | - | - | dB |
| Side-mode undertrykkelsesforhold | SMSR | CW | 35 | 40 | - | dB |
| Overvåg responsivitet | Jeg /Pf | - | - | 1 | 20 | uA/mW |
| Overvåg reaktionsstabilitet | - | - | - | - | 20 % | - |
| Overvåg mørk strøm | Id | VPD = 5V | - | - | 50 | nA |
| TEC nuværende | ITEC | Tcase =75℃ | - | - | 2 | A |
| TEC spænding | VTEC | Tcase =75℃ | - | - | 3.5 | V |
| TEC strømforbrug | P | Tstg =25℃ | - | - | 5 | W |
| Termistor modstand | Rth | Tcase =75℃ | 9.5 | 10 | 10.5 | Kohm |
| Termistor B konstant | Bth | Tstg =25℃ | - | 3900 | - | K |
| Bølgelængdedrift (EOL) | △λ | Testet over 25 års levetid | - | - | ±0,1 | nm |
| Bølge. Temperaturkoefficient | Δλ/ΔT | TEC temperatur ved 15℃ til 35℃ | - | 0.09 | - | nm/℃ |
| Bølgelængde Strømkoefficient | Δλ/ΔΙ | - | - | 0.01 | - | nm/mA |

Alle produkter er testet inden afsendelse;
Alle produkter har 1-3 års garanti.(Efter kvalitetsgarantiperioden begyndte at opkræve passende vedligeholdelsesservicegebyr.)
Vi sætter pris på din forretning og tilbyder en øjeblikkelig 7 dages returret. (7 dage efter modtagelse af varerne);
Hvis de varer, du køber i vores butik, ikke er af perfekt kvalitet, det vil sige, at de ikke fungerer elektronisk i henhold til producentens specifikationer, skal du blot returnere dem til os for udskiftning eller refundering;
Hvis varerne er defekte, bedes du give os besked inden for 3 dage efter levering;
Alle varer skal returneres i deres oprindelige stand for at kvalificere sig til en refusion eller ombytning;
Køber er ansvarlig for alle afholdte fragtomkostninger.
Q: Hvad er nøjagtigheden af bølgelængden?
A: +/-0,5 nm.
Q: Har du andre versioner af udgangseffekten?
A: 10mW, 15mW, 50mW.
1512nm 10mW DFB 14PIN sommerfuglelaser til NH3-sensing
1392nm DFB Butterfly Laser Diode For Fugt H2O Sensing
1653nm DFB sommerfugllaserdiode til CH4-detektion
1567nm DFB sommerfugllaserdiode til CO-føling
1578nm 10mW DFB laserdiode til hydrogensulfiddetektion
1580nm DFB sommerfugllaserdiode til CO2-detektionCopyright @ 2020 Shenzhen Box Optronics Technology Co., Ltd. - Kina fiberoptiske moduler, fiberkoblede laserproducenter, leverandører af laserkomponenter Alle rettigheder forbeholdes.