Det høje effekt 1653.7nm lasermodul bruger en plan konstruktion med chip på underbærer. Den høje power chip er hermetisk forseglet i en epoxyfri og fluxfri 14-benet sommerfuglepakke og udstyret med en termistor, termoelektrisk køler og monitordiode for at sikre laserydelse af høj kvalitet. 1653nm 40mW BTF laserdiode til metangasdetektion er Telcordia GR-468 kvalificeret og i overensstemmelse med RoHS-direktiverne.
Det høje effekt 1653.7nm lasermodul bruger en plan konstruktion med chip på underbærer. Højeffektchippen er hermetisk forseglet i en epoxyfri og fluxfri 14-bens sommerfuglepakke og udstyret med en termistor, termoelektrisk køler og monitordiode for at sikre laserydelse af høj kvalitet. Vores laserprodukter er Telcordia GR-468 kvalificerede og i overensstemmelse med RoHS-direktiverne.
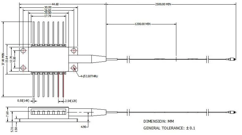
● Industristandard 14-benet sommerfuglepakke;
● Indbygget TEC og optisk isolator;
● Højtydende, multiquantum well (MQW) distributed-feedback (DFB) laser.
● Produktionstest af passive komponenter til gasdetektion;
● Fibergasdetektionssystem;
● Laserkilder.
| Parameter | Symbol | Tilstand | Min. | Typ. | Maks. | Enhed |
| Center bølgelængde | lc | Tl = 15 ~ 35 ℃ kv | 1652.7 | 1653.7 | 1654.7 | nm |
| Optisk udgangseffekt | Efter | CW | - | 40 | - | mW |
| LD Tærskelstrøm | ITH | CW | - | 15 | 40 | mA |
| LD Fremstrøm | Hvis | Pf = Nominel effekt | - | 300 | 400 | mA |
| Optisk isolering | - | -10 < TC < +70 ℃ | 30 | - | - | dB |
| Side-mode undertrykkelsesforhold | SMSR | CW | 35 | 40 | - | dB |
| Overvåg responsivitet | Vaccination | - | - | 1 | 20 | var / mw |
| Overvåg reaktionsstabilitet | - | - | - | - | 20 % | - |
| Overvåg mørk strøm | Id | VPD = 5V | - | - | 50 | nA |
| TEC nuværende | ITEC | Tcase =75℃ | - | - | 2 | A |
| TEC spænding | VTEC | Tcase =75℃ | - | - | 3.5 | V |
| TEC strømforbrug | P | Tstg =25℃ | - | - | 5 | W |
| Termistor modstand | Rth | Tcase =75℃ | 9.5 | 10 | 10.5 | Kohm |
| Termistor B konstant | Bth | Tstg =25℃ | - | 3900 | - | K |
| Bølgelængdedrift (EOL) | △λ | Testet over 25 års levetid | - | - | ±0,1 | nm |
| Bølge. Temperaturkoefficient | Dl/Dt | TEC temperatur ved 15℃ til 35℃ | - | 0.09 | - | nm/℃ |
| Bølgelængde Strømkoefficient | Dl/DI | - | - | 0.01 | - | NM/in |

Alle produkter er testet inden afsendelse;
Alle produkter har 1 års garanti.(Efter kvalitetsgarantiperioden begyndte at opkræve passende vedligeholdelsesservicegebyr.)
Vi sætter pris på din forretning og tilbyder en øjeblikkelig 7 dages returret. (7 dage efter modtagelse af varerne);
Hvis de varer, du køber i vores butik, ikke er af perfekt kvalitet, det vil sige, at de ikke fungerer elektronisk i henhold til producentens specifikationer, skal du blot returnere dem til os for udskiftning eller refundering;
Hvis varerne er defekte, bedes du give os besked inden for 3 dage efter levering;
Alle varer skal returneres i deres oprindelige stand for at kvalificere sig til en refusion eller ombytning;
Køber er ansvarlig for alle afholdte fragtomkostninger.
Q: Hvad er nøjagtigheden af bølgelængden?
A: +/-0,5 nm.
Q: Har du andre versioner af udgangseffekten?
A: 10mW, 15mW, 50mW.
C-båndet smal linjebredde integreret afstembar lasersamling ITLA
1550nm 40mW 200Khz smal linjebredde DFB Butterfly Laser Diode
1550nm 40mW 600Khz DFB Sommerfuglepakke Laserdiode med smal linjebredde
1550nm 50mW 100Khz smal linjebredde DFB Butterfly Laser Diode
1550nm 2mW 5mW koaksial laserdiode med smal linjebredde
1550nm 100MW 100kHz smal linebredde DFB Laser Diode BTF med SM/PM fiberCopyright @ 2020 Shenzhen Box OpTronics Technology Co., Ltd. - China Fiber Optic Modules, Fiber Combed Lasers Producenter, Laser Components Leverandører Alle rettigheder forbeholdes.